Home » Without Label » Cub Cadet Safety Switch Repair / Cub Cadet Tractor 2130 Ereplacementparts Com - We have replacement pto switches to get your cub cadet repair or maintenance started.
Cub Cadet Safety Switch Repair / Cub Cadet Tractor 2130 Ereplacementparts Com - We have replacement pto switches to get your cub cadet repair or maintenance started.
Cub Cadet Safety Switch Repair / Cub Cadet Tractor 2130 Ereplacementparts Com - We have replacement pto switches to get your cub cadet repair or maintenance started.. Just pulling the plug does't work so it needs jumping. Designed for your safety and protection. I have a 2003 cub cadet 1525. First thing to check would be loose or dirty connections on the seat/reverse safety switches, then try bypassing. The pto on my three year old cub cadet rider works only a few seconds at a time.
Repair the damage before restarting and operating. Designed for your safety and protection. Your safety switches also run to your pto switch. We have all the manual for you to successfully repair your tractor. Are you sure there is one?
Cub Cadet Mower Starter Solenoid Replacement Youtube from i.ytimg.com The confidence of using parts specifically designed for a exact fit, optimal performance and maximum safety. There's 4 wires on mine instead of the traditional 2. Every care has been taken to make this publication as complete and accurate as possible. I have already replaced both the battery and solenoid. There are two switches activated via the brake pedal and shaft. Cub cadet xt1 safety switches & slow reverse. The pto on my three year old cub cadet rider works only a few seconds at a time. Does your cub cadet have the reverse safety switch that prevents you from mowing in reverse?
Safety interlock system & switch operation checks the following operational checks should be made daily:
The pto on my three year old cub cadet rider works only a few seconds at a time. Cub cadet is an american enterprise that manufacture law and garden and a full line of outdoor power equipment and services. They are (1) the blade clutch switch, (2) the parking brake/lap bar switch, (3) the seat switch.they note: Not intended for use by untrained or inexperienced individuals. I have a 2003 cub cadet 1525. We have replacement pto switches to get your cub cadet repair or maintenance started. Repair the damage before restarting and operating. Replacement cub cadet pto switches: I have a cub cadet 1811 serial number 789178 the pto wll not stay on as long as you hold the switch in the position which starts the pto it is fine but when it i have a lt 1045 cub cadet lawn tractor. I believe they were available if the rear bagger attachment got to heavy. I found out that i had an issue with the parking brake switch. The switch automatically disengages the engine when weight is taken off the seat such as. I ordered it from partstree.com for $95.00.
Does anybody know where the switch is located? Replacement cub cadet pto switches: I have already replaced both the battery and solenoid. My cub cadet rzt would not crank. You have to trace from.
Seat Safety Switch For Cub Cadet 01003277 from cdn11.bigcommerce.com Does your cub cadet have the reverse safety switch that prevents you from mowing in reverse? If a pump fails, contact your cub cadet dealer. There are two switches activated via the brake pedal and shaft. How do you jump the seat safety switch on a cub rider so it runs when you get off? I am also noticing after the mower has been running for about 30 minutes if i turn off the pto to move something out of my way and then. I believe they were available if the rear bagger attachment got to heavy. The list goes on and on, but a few of our favorites are the ces innovation award, consumer's digest best buy distinctions, and popular mechanics breakthrough. Cub cadet lawn care equipment has been built to last through the harshest of weather conditions.
Cub cadet xt1 safety switches & slow reverse.
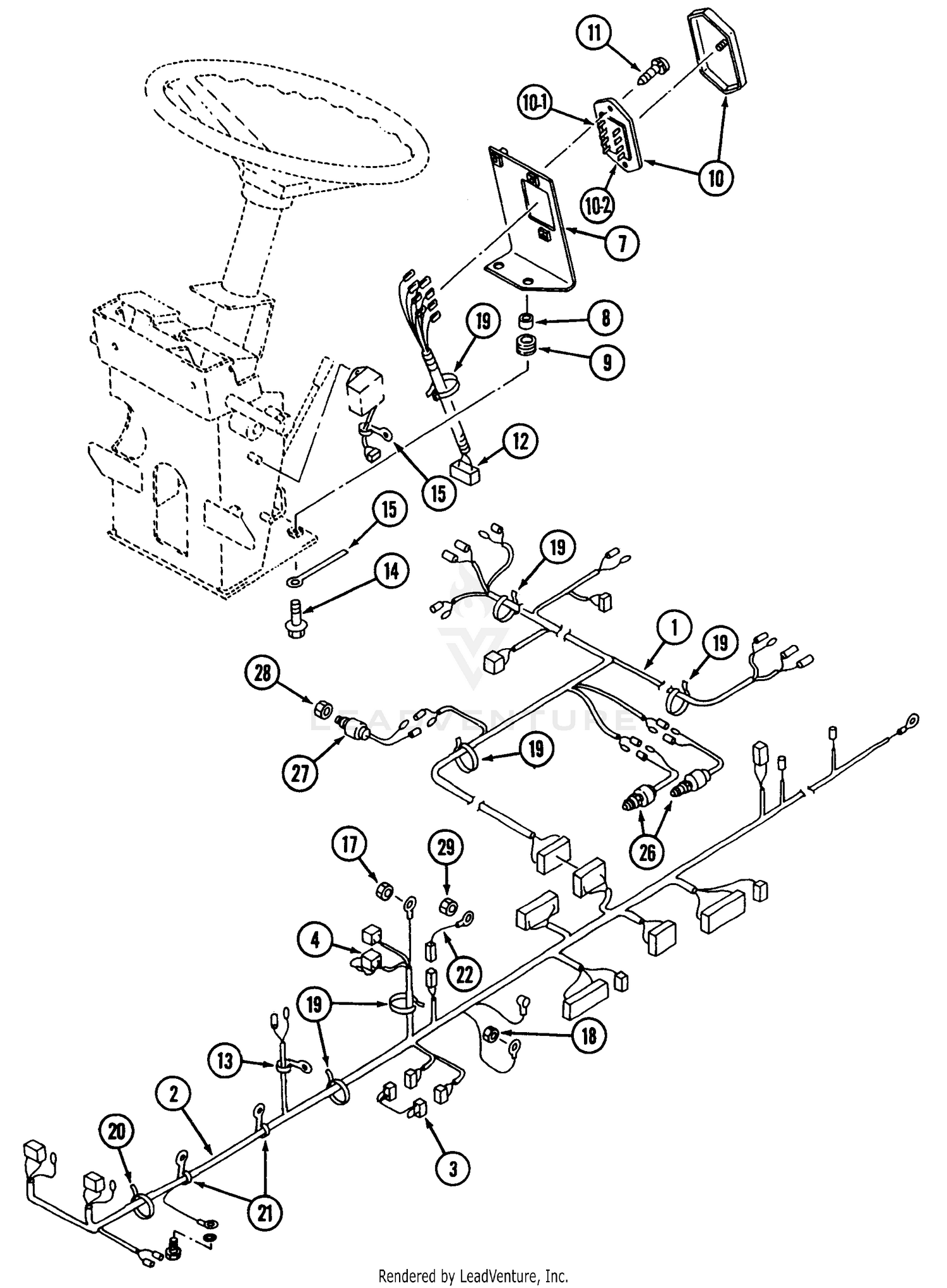
Cub cadet xt1 safety switches & slow reverse. Cub cadet safety switch diagram — untpikapps cub cadet safety switch diagram. Does your cub cadet have the reverse safety switch that prevents you from mowing in reverse? Service manual for cub cadet zero turn rider. Cub cadet lawn care equipment has been built to last through the harshest of weather conditions. Due to the size of the operator's manual, some operator's manuals are broken down into two or more segments so that the entire operator's manual can be downloaded easily. How do you jump the seat safety switch on a cub rider so it runs when you get off? The switch automatically disengages the engine when weight is taken off the seat such as. The red wire for the reverse safety switch had broken off from its connector on the right side near the frame that is not a safety interlock switch , rather a 5 or 6 pin wiring connector. The cub cadet is among the most popular riding mowers on the market today. Electric pto clutch this clutch operates when the engine is running, the operator is in the operator's seat and the. With over 1.4 million parts in our database, we can get the parts you need. Brake safety switch cub cadet 1045.
Cub cadet 2166 with kohler. This model is designed to shut off the cutting deck when the. My cub cadet rzt would not crank. Operation, safety interlock switches, starting the engine. Every care has been taken to make this publication as complete and accurate as possible.
Cub Cadet 2130 2135 Safety Switch Issue My Tractor Forum from www.mytractorforum.com We have replacement pto switches to get your cub cadet repair or maintenance started. There's 4 wires on mine instead of the traditional 2. There are three safety switches in the electrical circuit which control the engine. 4.4 out of 5 stars 32. See your cub cadet service dealer. If a pump fails, contact your cub cadet dealer. This video shows how to diagnose electrical you can use the amazon affiliate* links below to buy supplies for your repairs: Due to the size of the operator's manual, some operator's manuals are broken down into two or more segments so that the entire operator's manual can be downloaded easily.
Cub cadet is an american enterprise that manufacture law and garden and a full line of outdoor power equipment and services.
Remove the ignition key, disconnect the spark plug ignition wire before performing any maintenance on your cub cadet ultima zt2, refer to your owner's manual for recommended maintenance and safety information. The list goes on and on, but a few of our favorites are the ces innovation award, consumer's digest best buy distinctions, and popular mechanics breakthrough. I have already replaced both the battery and solenoid. However the red wire may have. My cub cadet rzt would not crank. I have already replaced both the battery and solenoid. This model is designed to shut off the cutting deck when the. Cub cadet safety switch diagram — untpikapps cub cadet safety switch diagram. Repair the damage before restarting and operating. Cub cadet genuine parts gives you a genuine advantage: Parking your cub cadet on a flat, level surface. If a pump fails, contact your cub cadet dealer. I believe they were available if the rear bagger attachment got to heavy.